Home
About Us
Products
Temperature and pressure reducing device
Pressure vessel
Heat exchange series
Storage tank series
Filter series
Reaction equipment
Sterilization series
Separation buffer series
Steaming (fine) distillation series
Regulating valve
Electric regulating valve
Pneumatic control valve
News
Contact Us
中文版
Products
Dedicated to providing high-quality products and excellent services to our customers
Your current location:
Home
Products
CLASSIFICATION
Temperature and pressure reducing device
Pressure vessel
Heat exchange series
Storage tank series
Filter series
Reaction equipment
Sterilization series
Separation buffer series
Steaming (fine) distillation series
Regulating valve
Electric regulating valve
Pneumatic control valve
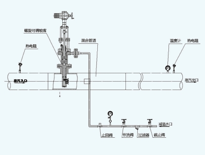
Spiral adjustable nozzle desuperheating device
Split-type high-temperature and high-pressure desuperheating and pressure reducing device
Pressure reducing device
Desuperheating device (multiple nozzles)
Desuperheating device (single nozzle)
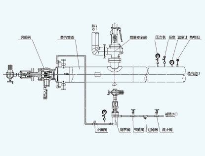
Bypass temperature and pressure reducing device
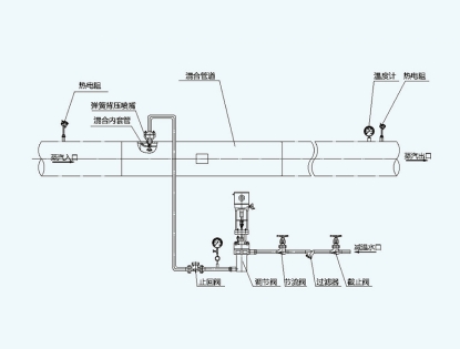
Split-type temperature and pressure reducing device
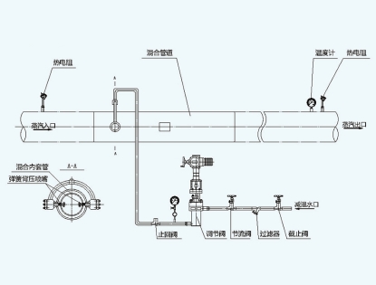
Integrated temperature and pressure reducing device
1